Model SVS Amplifier
Class A, Single-Ended, Low Power OTL (Output Transformer-Less) Vacuum Tube Power Amplifier
Model SVS Description
The Model SVS is a Stereo, Class A, Single-Ended, Low Power OTL (Output Transformer-Less) Vacuum Tube Power Amplifier designed for High Effieiency Loudspeakers.
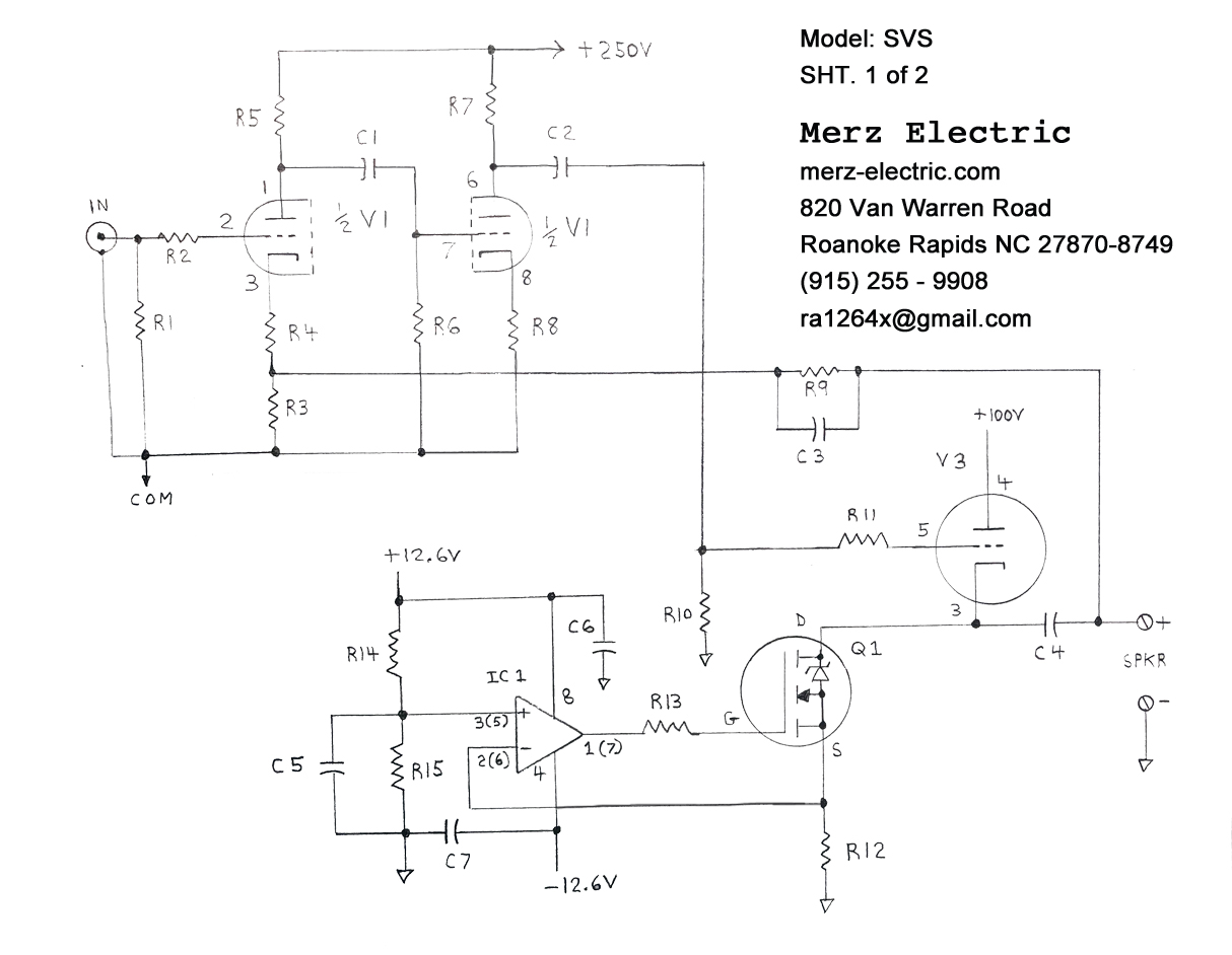
Circuit Description (schematic sht. 1, one channel shown) The signal input is direct coupled to a conventional, two stage voltage amplifier V1 (tube type: 12AU7, 5814, 6189) The amplified signal is capacitively coupled to the grid of V2, a 6C33C-B high power, dual triode vacuum tube. The cathode of V2 is sourced from a 750 ma current regulator utilizing an N channel MOSFET Q1 (Exicon ECF10N20) The current regulator 750 mv reference is from voltage divider R14 and R15, this voltage is then matched with the current feedback voltage across R12. Operational amplifier, IC1 (type TL082) regulates the current via a signal to the gate of MOSFET Q1. The amplified signal at the cathode of V2 is developed across the Q1 current regulator and coupled through C4 to the speaker. A negative feedback signal from the speaker is fed back to the cathode of V1 via R9 and C3.
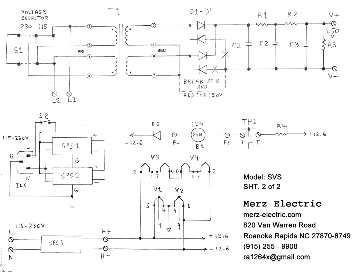
Power Supply for both channels (schematic sht. 2) The power supply for the +100 Volts on the plate of V2 is provided from two switching type, 48 VDC power supplies in series (SPS1 and SPS2) These two power supplies are adjusted for maximum output voltage of about 50 volts each. The heater power supply for both channels (SPS3) is a 24 volt switching type. The 12.6 volt heaters for both channels are connected in a series/parallel arrangement with the center point connected to chassis ground. This power supply is adjusted for 25.2 volts. It then provides the 12.6 volts for all four tubes as well as the +/- 12.6 volts required for IC1. Once correctly set for 25.2 volts, this regulated power power supply will provide the constant 750 mv reference voltage for IC1.
High B+ voltage for the two driver tubes is provided from a conventional power supply transformer (T1) The AC input to T1 is via a voltage selector switch S1 to allow for operation from either 110-120 V or 220-240 V 50 / 60 Hz. Switching power supplies, SPS 1,2 and 3 are self adjusting for different input voltages. The rectified and filtered B+ provides the approximately 250 vdc needed for V1.
Specifications (Both channels driven)
Power Output 4 Ω Load: 1 Watt / 8 Ω Load: 2 Watts / 16 Ω Load: 4 Watts
Input Sensitivity (VRMS) 4 Ω Load: .3 / 8Ω Load: .6 / 16 Ω Load: 1.2
Output Impedance: 1.15 Ω
Damping Factor 4 Ω Load: 4 / 8 Ω Load: 7 / 16 Ω Load: 13
Power Requirement: 110 – 120 V / 220 – 240 V 50 / 60 Hz. (Selected by Internal Switch)
Power Consumption: 290 Watts
Dimensions: 17” L x 10” D x 6 ½” H Weight: 10 Lbs. cdm 12-14-2025
The Circuit and Associated Parts

(Click to enlarge)
Model SVS Parts List, Driver and Output Stage (Schematic Sht. 1 of 2, one channel shown)
C1: .047 mfd 630V Film
C2: 10 mfd 400V film
C3: 270 pf 300V mica
C4: 8500 mfd 63V electrolytic
C5: 10 mfd 35V tantalum
C6, C7: 1 mfd 35V tantalum
IC1: TL 082 dual operational amplifier (TI)
J1: Keystone 576 (black) 580 (red)
Q1: Exicon ECF10N20 (N channel MOSFET)
R1, R10: 200K
R2 : 10K
R3,15: 100 Ω
R4, R8, R11: 1K
R5, R7: 100K
R9: 680 Ω
R12: .1 Ω 2W
R13: 330 Ω
R14: 15K
Note: All resistors, low noise, 1% film type, ½ watt (unless noted otherwise)
V1: 6189, 5814, 12AU7 vacuum tube
V2 : 6C33C-B vacuum tube (Russian mfr)
Model SVS Power Supply / Cooling Fan (sheet 2 of 2, for both channels) Parts List
B1: Fan, 12VDC (Noctua NF-A8 or Be Quiet, Pure Wings 2)
C1,C2,C3: 47 mfd 450V electrolytic
D1 - D4: 1N4007 or 1A 1000V bridge rectifier
D5 : 1N4007
R1,R2 : 1.5K 5% mf
R3: 100k 1% mf
R4: 365 Ω 1% 1W mf
S1: 115 / 230 voltage selector switch
S2: Power switch 125V 10A / 250V 5A
SPS1, SPS2: 48 VDC Meanwell LRS-100-48
SPS3: 24 VDC Meanwell LRS-100N2-24
T1: Transformer, Triad FP230-10
TH1: 50 Deg. C N.O. thermal switch, Kemet OHD3-50M
cdm 12-12-2025
The Square Waves
Square wave photos don’t capture the full picture, but they provide a useful indication of how flat the amplifier’s response is. While square wave performance doesn’t directly reflect how the amplifier will sound, it does suggest a wide frequency response and minimal "ringing."
For clarity, one channel is shown here, though both channels were driven during the test.
Contact & Sales
Copyright © All rights reserved | Merz Electric

